Magnetic Absolute Rotary Encoder
| ¡½ |
High Reliability |
| ¡½ |
High Noise Resistance |
| ¡½ |
Wild operating voltage |
| ¡½ |
Electronic zero point settable |
| ¡½ |
Harsh circumstances suitable |
| ¡½ |
Several output code optional |
|
 |
|
Guiding of model |
 |
| 1 |
Product: ¡uMAT¡v= 50£X Magnetic Absolute Encoder |
3 |
Output method¡G ¡uNon¡v= NPN¡B¡up¡v= PNP |
| 2 |
Resolution¡G256PPR ~ 1024PPR ¡u256¡v= 256 PPR¡]8 bits¡^ ¡u360¡v= 360 PPR¡]9 bits¡^ ¡u1024¡v= 1024 PPR¡]10 bits¡^ |
4 |
Connection method¡G ¡uNon¡v= Lead wire ¡uPG¡v= M12 Lead wire ¡uM12¡v= M12 connection |
| Note |
1¡Ö Pulse per Revolution¡]PPR¡^64 / 128 / 256 / 360 / 512 / 720 / 1024
2¡Ö It is accepted to manufacture for special resolution. |
5 |
Output code ¡uGC¡v= Gray code ¡uNon¡v= Binary code ¡uBCD¡v= BCD code |
|
| |
Electrical Specification
| Output method |
NPN |
PNP |
| Operating voltage |
5 ~ 30VDC |
| Output code |
Gray code |
| Response frequency |
20K Hz min.. |
| Current consumption |
60 mA max. |
| Ripple of power |
10¢Mpeak to peak |
| Output current |
100mA max. |
| Protection circuit |
Short circuit & polarity reversed |
| Voltage drop |
0.6V max. |
| Residual voltage |
0.1V max. |
| Leakage current |
0.1mA max. |
| Noise resistance |
2kv /1£gs |
| Dielectric strength |
2.5kv / 1 minute min. |
| Insulation strength |
100 M£[ / 500vdc |
| Approval |
CE / RoHS |
|
Connections
| Connector No. |
Wire color |
Description |
| # 1 |
Brown |
+ V |
| # 3 |
Blue |
0 V |
| # 4 |
Black |
20 |
| # 2 |
White |
21 |
| # 5 |
Yellow |
22 |
| # 6 |
Grey |
23 |
| # 7 |
Green |
24 |
| # 8 |
Blue / Red |
25 |
| # 9 |
Grey / Red |
26 |
| # 10 |
White/Red |
27 |
| # 11 |
Yellow / Red |
28 |
| # 12 |
Green / Red |
29 |
| # 13 |
Orange |
Zero in |
|
|
Mechanical Data
| Connector No. |
Data |
| Starting torque |
0.098 kg-m |
| Shaft moment of inertial |
1x10-6 kg-m2 |
| Shaft loading |
Radial¡Õ300 kg¡F
Axial¡Õ200kg |
| Rotational speed max. |
6000 RPM |
| Housing material |
Intensive PPS |
| Shaft material |
SUS-316 |
|
Environment Data
| Connector No. |
Data |
| Operating circumstance |
-25¢J ~ +70¢J¡F85%RH max. |
| Vibration resistance |
10 ~ 55 Hz / 1.5 mm ¡F
2 Hr/ X.Y.Z direction each |
| Shock resistance |
490m/s2 with 11ms in X.Y.Z
direction 3times each |
| Protection class |
IP-64 |
|
Output circuit
| NPN |
PNP |
 |
 |
|
Input circuit
| NPN Input for Electronic zero point |
 |
|
|
| |
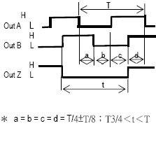
Output timing chart
| Gray code |
 |
|
| Binary code |
 |
|
| BCD code ¡]360PPR¡^ |
 |
|
| |
| |
Magnetic Incremental Rotary Encoder
| ¡½ |
High Reliability |
| ¡½ |
High Noise Resistance |
| ¡½ |
Wild operating voltage |
| ¡½ |
Low current consumption |
| ¡½ |
Harsh circumstances suitable |
|
 |
|
Guiding of model
 |
| 1 |
Product: ¡uMES¡v= 40£X Magnetic Encoder ¡uMET¡v= 50£X Magnetic Encoder |
3 |
Output method¡G ¡uNon¡v= NPN+PNP¡]Push-Pull¡^ ¡uD¡v= Line driver |
| 2 |
Resolution¡G256PPR ~ 1024PPR
¡u10¡v= 10 PPR
¡u500¡v= 500 PPR
¡u2500¡v= 2500 PPR |
4 |
Option¡G
¡uT¡v=¡uPhase T¡voutput appended
¡uPG¡v= M12 Lead wire
¡uM12¡v= M12 connection¡]MET only¡^ |
| Note |
1¡Ö Pulse per Revolution¡]PPR¡^10,20,30,40,50,60,100,120,150,180,200,250,300,360,400,500,512,600,720,800,1000,1024,1200,1500,1800,2000,2048,2500
2¡Ö It is accepted to manufacture for special resolution |
|
| |
Electrical Specification
| Output method |
NPN |
PNP |
| Operating voltage |
5 ~ 30VDC |
| Output code |
Gray code |
| Response frequency |
20K Hz min.. |
| Current consumption |
60 mA max. |
| Ripple of power |
10¢Mpeak to peak |
| Output current |
100mA max. |
| Protection circuit |
Short circuit & polarity reversed |
| Voltage drop |
0.6V max. |
| Residual voltage |
0.1V max. |
| Leakage current |
0.1mA max. |
| Noise resistance |
2kv /1£gs |
| Dielectric strength |
2.5kv / 1 minute min. |
| Insulation strength |
100 M£[ / 500vdc |
| Approval |
CE / RoHS |
|
Connections
| Push-Pull |
| Connector No. |
Wire color |
Description |
| # 1 |
Brown |
+ V (1) |
| # 3 |
Blue |
0 V (3) |
| # 4 |
Black |
Phase A¡]4¡^ |
| # 2 |
White |
Phase B¡]2¡^ |
| # 5 |
Yellow |
Phase Z¡]5¡^ |
| # 6 |
Grey |
Phase T¡]6¡^ |
|
| Line driver |
| Color |
Description |
Color |
Description |
| Brown |
+ V¡]1¡^ |
Blue |
0 V¡]3¡^ |
| Black |
Phase A¡]4¡^ |
Blue/Red |
Phase A¡]9¡^ |
| White |
Phase B¡]2¡^ |
White/Red |
Phase B¡]10¡^ |
| Yellow |
Phase Z¡]5¡^ |
Yellow/Red |
Phase Z¡]11¡^ |
|
|
|
Mechanical Data
| Connector No. |
Data |
| Starting torque |
0.098 kg-m |
| Shaft moment of inertial |
1x10-6 kg-m2 |
| Shaft loading |
Radial¡Õ300 kg¡F
Axial¡Õ200kg |
| Rotational speed max. |
6000 RPM |
| Housing material |
Intensive PPS |
| Shaft material |
SUS-316 |
|
Environment Data
| Connector No. |
Data |
| Operating circumstance |
-25¢J ~ +70¢J¡F85%RH max. |
| Vibration resistance |
10 ~ 55 Hz / 1.5 mm ¡F
2 Hr/ X.Y.Z direction each |
| Shock resistance |
490m/s2 with 11ms in X.Y.Z
direction 3times each |
| Protection class |
IP-64 |
|
Output circuit
| Push-Pull |
 |
| Line driver |
 |
|
Output timing chart
| Push-Pull |
Line driver |
 |
 |
|
|
| |
Coupling |
| Model |
G2J - 66 |
G2J - 68 |
| Diameter ¡]d1¡^ |
6.0 mm |
6.0 mm |
| Diameter ¡]d2¡^ |
6.0 mm |
8.0 mm |
| Outline diameter |
18.0 mm |
| Outline length |
23.0 mm |
| Set screw |
M3 x 4 |
| Material |
Intensive Polyimide |
|
|
|
| |
Outline Dimension
|