Stainless Steel Fittings
Push In Type
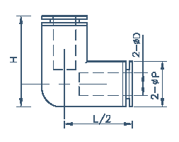
  S16V  Union Elbow
 
Tube (Metric)
Model D P L/2 H
S16V04 4 10.5 18 23
S16V06 6 10.5 18 23
S16V08 8 14.5

19

25

S16V10 10 14.5 21 28
S16V12 12 17.5 26.5 35
Tube (Inch)
Model D P L/2 H
S16V04 5/32 10.5 18 23
S16V07 1/4 10.5 18 23
S16V08 5/16 14.5

19

25

S16V09 3/8 14.5 21 28
S16V13 1/2 17.5 26.5 35
 
Tube (Metric)
Model D1 D2 P L/2 H
S16V0604 6 4 10.5 18 23
S16V0806 8 6 14.5 19 25
S16V1006 10 6 14.5

21

28

S16V1008 10 8 14.5 21 28
S16V1210 12 10 17.5 26.5 35
Tube (Inch)
Model D1 D2 P L/2 H
S16V0704 1/4 5/32 10.5 18 23
S16V0807 5/16 1/4 14.5 19 25
S16V0907 3/8 1/4 14.5

21

28

S16V0908 3/8 5/16 14.5 21 28
S16V1309 1/2 3/8 17.5 26.5 35
 
 
Copyright  © 2005 WAI CHIAO INDUSTRIAL CO., LTD. All rights reserved.
4F,No. 141-3 HePing W. Rd., Sec. 2,Taipei 10066 ,Taiwan  Phone:886-2-2331-9307 Fax:886-2-23814286 Skype: viira1985 E-mail :
 sales@viira1985.com